Bluetooth options for 2004 Disco II with factory NAV
I don't know how useful the factory navigation is these days, since we all have much better mapping available on our phones, so one alternative to keep, the factory look would be to remove the factory NAV radio and replace it with a standard radio/cassette player. It keeps "a" factory look and the GROM would connect easily. Factory radio/cassette units for the DII wouldn't be very expensive, I'd think.
Hello AMBATX, here you can find some pictures that maybe help with your problem. I had a similar problem but with the factory DVD and finally, I made a modification in the original GROM cable intended to connect the GROM device to the CD changer harness.
https://landroverforums.com/forum/di...4-disco-81696/
https://landroverforums.com/forum/di...4-disco-81696/
I think you are right, and pin 18 should be in pin 15. Unfortunately, none of my depinning tools will allow me to remove the pin, so I ordered a set of 172 tools, which should arrive today. If I can get the pin removed and placed into 15 (which is ground and it won't work without the ground) I'll post the results in this thread.
I think you are right, and pin 18 should be in pin 15. Unfortunately, none of my depinning tools will allow me to remove the pin, so I ordered a set of 172 tools, which should arrive today. If I can get the pin removed and placed into 15 (which is ground and it won't work without the ground) I'll post the results in this thread.
Hi all - original poster, here. Just to be clear, that blue plug you guys are referring to is the 'before' shot (aka, how it came from the factory). It's 100% right and everything works 100% as it should from Land Rover...issue is when I try to replace that blue plug with the GROM unit, the GROM won't power up....
I think you are right, and pin 18 should be in pin 15. Unfortunately, none of my depinning tools will allow me to remove the pin, so I ordered a set of 172 tools, which should arrive today. If I can get the pin removed and placed into 15 (which is ground and it won't work without the ground) I'll post the results in this thread.
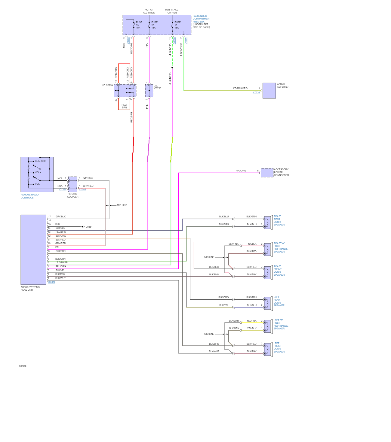
That image looks nothing like the shape or pin configuration of any plug in the back of the Rover radio.
What I was asking is, if you look at the plug on the GROM that goes into the C1354 socket on the head unit (where the blue plug goes in the first photo), which pins have wires going to them?
What I was asking is, if you look at the plug on the GROM that goes into the C1354 socket on the head unit (where the blue plug goes in the first photo), which pins have wires going to them?
This may help. What mollusc is saying is that in your pic (snippet below) it looks like the black wire is going to pin 18, shown by the green arrow, when the schematic calls for it to go to pin 15 which is presumably empty in your harness and shown by the red arrow. It's the socket directly next to the black wire, not to be confused with any of the wires going to the green plug in your pic. It was just hard to illustrate.
If the GROM is expecting to get ground from Pin 15 when you plug it in, as shown in the LR schematic, then it may not be there. The CD player which you are replacing may be getting its ground elsewhere which is why it works but the GROM does not.
We need to know what the plug on the GROM looks like and does it have a (black) wire going to pin 15, like the schematic would indicate, or pin 18, as your existing photo of the CD plug shows.

EDIT: taking this a step further, here is the back of the blue plug in a non-NAV highline radio equipped truck and you'll notice the black wire is in pin 15, where the schematic says it should be. This could mean that the NAV radio has a ground output at pin 18 instead and you would need to move the black wire in the GROM's blue plug over to the right to get ground where the NAV radio is possibly supplying it, but the GROM is not looking for it, if the GROM's plug looks like below.

Edit 2: There are no updates here so I'm not going to bump it to the top however after looking more closely, the entire blue plug pinout looks to be different. I strongly suspect this is the source of the problem. The top row of my blue plug (bottom pic) is Red Tan Orange, and the top row of the NAV radio is Tan Blank Red. You'll need to adjust the pinout of the GROM to match your blue plug so that when you plug it into the radio the power, ground, & signal inputs line up with what the NAV radio is spitting out. And just to repeat it, the diagrams that GROM sent you are a joke. There is nothing in a D2 that even remotely resembles any of that. I'm surprised at their poor customer service.
If the GROM is expecting to get ground from Pin 15 when you plug it in, as shown in the LR schematic, then it may not be there. The CD player which you are replacing may be getting its ground elsewhere which is why it works but the GROM does not.
We need to know what the plug on the GROM looks like and does it have a (black) wire going to pin 15, like the schematic would indicate, or pin 18, as your existing photo of the CD plug shows.

EDIT: taking this a step further, here is the back of the blue plug in a non-NAV highline radio equipped truck and you'll notice the black wire is in pin 15, where the schematic says it should be. This could mean that the NAV radio has a ground output at pin 18 instead and you would need to move the black wire in the GROM's blue plug over to the right to get ground where the NAV radio is possibly supplying it, but the GROM is not looking for it, if the GROM's plug looks like below.

Edit 2: There are no updates here so I'm not going to bump it to the top however after looking more closely, the entire blue plug pinout looks to be different. I strongly suspect this is the source of the problem. The top row of my blue plug (bottom pic) is Red Tan Orange, and the top row of the NAV radio is Tan Blank Red. You'll need to adjust the pinout of the GROM to match your blue plug so that when you plug it into the radio the power, ground, & signal inputs line up with what the NAV radio is spitting out. And just to repeat it, the diagrams that GROM sent you are a joke. There is nothing in a D2 that even remotely resembles any of that. I'm surprised at their poor customer service.
Last edited by ahab; Jan 12, 2023 at 11:01 AM.
Thread
Thread Starter
Forum
Replies
Last Post
Shapper
Discovery II
16
Sep 11, 2019 06:17 PM




