Discovery I Talk about the Land Rover Discovery Series I within.

Soft brakes after bleeding - ABS disconnected for years

Thread Tools
 
Search this Thread
 
Old Sep 25, 2024 | 02:55 PM
  #11  
hrhoward's Avatar
Winching
Joined: Jun 2015
Posts: 554
Likes: 94
From: Huntsville, AL
Default

Toran saw a post I made a couple of years ago when I had a similar problem and pm'ed me to see if I ever solved it. Here is my reply:
I never got a what I would call a firm pedal. Whenever I drove wife's car or one of my spares, always stopped short/fast at end of driveway 'cause was used to the soft-ish brakes on the rover. Think the reason why pedal feel improved was because I lost my temper one afternoon and stomped on the pedal hard a few times while sitting in the garage. That truck was wrecked 01/'23.

Now working on two more, a black one and a woodcote green (pinky out fancy) one. Both '98's. Black one's brakes are very good (ABS fuse removed) even after sitting neglected for a couple years. The green one, after replacing front calipers and bleeding, mushy. Odd thing about the green, had a difficult time getting fluid out of the right front hard line above the flex hose connection. no fluid would flow with gravity alone even after several days left undone and a full reservoir. Set that one aside to concentrate on the black one.

Wish I could be more help. Something is still nagging me that the Wabco ABS modulator has something to do with it. I have a copy of the Meritor Wabco maintenance manual. Believe replacement modulators shipped with brake fluid in them


On the truck that was wrecked 01/23, I even did a Defender front brake conversion. That didn't help with mushy-ness. The pads always rattled and had a noticeable air gap between rotor and pads. Flex lines were new stainless braided ones.

No fluid came out of the green one's FR hard line that comes through the inner wing. Had wife hop in and mash pedal a few times with me cracking/tightening the hard line - flex line fitting. Bleed on caliper closed. Took a while before anything came out. Then it wouldn't stop even when fitting tightened. Line had a pinhole (rusted) under the fitting. With fluid still flowing out I pinched the line and left it for a few days. Cut the line to replace and had to repeat, no fluid flowing out. Reservoir still had fluid. Just bled as normal, drove around the block (5 miles), and parked it.

 
Reply
Old Sep 26, 2024 | 12:20 PM
  #12  
hrhoward's Avatar
Winching
Joined: Jun 2015
Posts: 554
Likes: 94
From: Huntsville, AL
Default

After rereading ihscouts post just now (ABS Modulator), something occurred to me.
When wife was pushing on the pedal in the green one and nothing was coming out of the FR line, had her turn the key on without cranking, position II. That is when fluid started flowing out the line, not immediately but shortly after. Had to repeat after it sat a few days when I finally got around to installing new calipers. The green truck still has the fuse and abs indicator bulb installed.
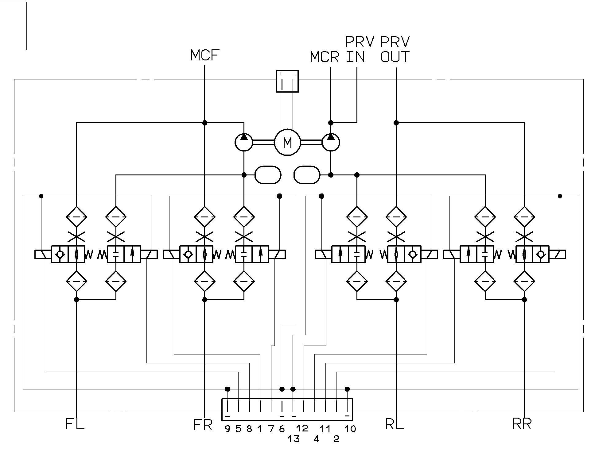
I have a few extra modulators laying around. I might crack one open and poke at it. Was looking over the hydraulic schematic and it appears that there is a filter, flow valve/orifice (X between filter and valve) before each solenoid and another filter after. Watched this fella messing with one on the utube,
.
Didn't notice any filters on the video but I'm guessing fine wire-mesh thingies. Perhaps there is a way to cycle each solenoid manually.
Now don't go and do anything silly and start diddling with something you need to make your truck stop. This is all academic. **Cough-cough**




 
Reply
Old Sep 26, 2024 | 02:10 PM
  #13  
Toran's Avatar
Thread Starter
|
Recovery Vehicle
Joined: Sep 2015
Posts: 1,125
Likes: 77
Default

Hey hrhoward,

Good to hear from you. Thanks for the video. To be honest I will not be cracking into ABS Modulator if I dont have too.
I will reinstall the ABS fuse, As soon as my HawkEye tool is returned I should be able to energize the ABS Modulator, and start the two person bleed process.

Interestingly the more I am driving the truck it feels as if the brakes are firming up.
Not to worry, will report the results, and finally put additional clarity to this thread.

Thank you All!
 
Reply
Old Sep 26, 2024 | 04:31 PM
  #14  
hrhoward's Avatar
Winching
Joined: Jun 2015
Posts: 554
Likes: 94
From: Huntsville, AL
Default

Gotcha. It would definitely be a winter project. Nabbed a few from local pick you part lot several years ago.
Look forward to hearing what the HawkEye does. Wonder if it continuously cycles all the solenoids at same time or if it is selectable based on what corner your bleeding.
 
Reply
Old Sep 26, 2024 | 04:42 PM
  #15  
Toran's Avatar
Thread Starter
|
Recovery Vehicle
Joined: Sep 2015
Posts: 1,125
Likes: 77
Default

I'll make a note of the process.
 
Reply
Related Topics
Thread
Thread Starter
Forum
Replies
Last Post
hrhoward
Discovery I
3
Sep 25, 2024 04:14 PM
lilherc
Discovery II
22
Jun 7, 2019 08:51 PM
98discoj
Discovery I
13
Nov 15, 2014 11:30 AM
Redmel76
Discovery II
9
Jul 28, 2011 06:40 PM




All times are GMT -5. The time now is 09:18 AM.